







■产品用途
视频信号防雷器主要用于沿视频信号线路侵入设备的雷电(过电压)防护,如视频监控设备(摄像机、视频监控器、光端机、显示器、有线电视、家用电视等)。
■产品特点
● 放电电流大,采用多级保护。
● 内置快速半导体保护器件,响应速度快,残压低。
● 核心元件采用国际知名品牌,性能优越。
● 节能、环保,安装简便,适用于各种标准接口类型。
● 插入损耗低,确保线路畅通。
● 驻波系数小,工作频率范围宽。
■技术参数
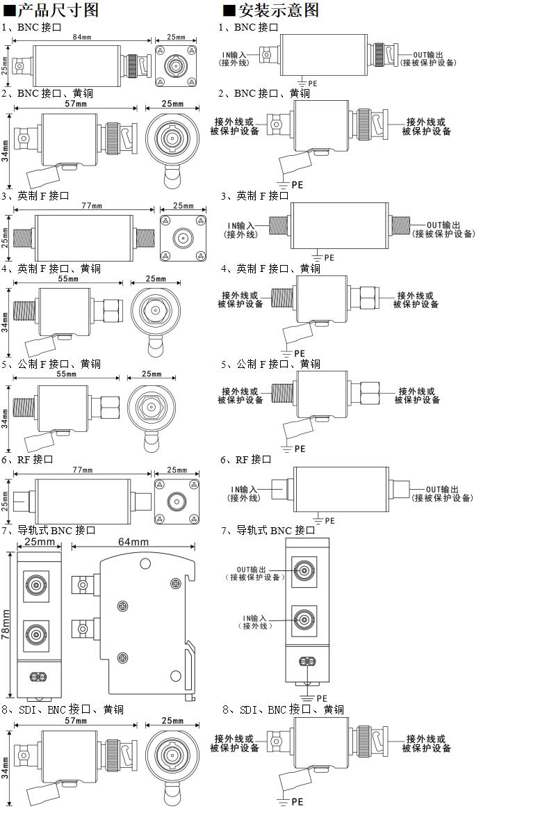
■安装说明
● 本产品为串联连接方式。
● 请选择与被保护设备接口类型相同的产品。
● 防雷器应与被保护设备的工作电压相匹配。
● 安装时请根据安装示意图所示连接,其中IN为输入,OUT为输出,PE为地线,输入端接外线,输出端与被保护设备的输入端相连接(其中黄铜类产品两端都可以接输入线或输出线),切勿接错。
● 防雷器的PE线必须与防雷系统的地线可靠连接,连接线要求短、粗、直。
● 防雷器在使用期间,应定期检测,如果出现故障,应及时维修或更换,以确保设备安全。

扫一扫咨询微信客服